
HIKROBOT MV-SC5016C Series
SC5000 스마트 카메라는 높은 수준의 하드웨어 통합을 유지하며 포지셔닝, 측정, 교정 변환, 로직 제어, 결함 감지, OCR 및 코드 판독과 같은 알고리즘이 내부적으로 통합되어 있습니다.
간단하고 사용하기 쉬운 SCMVS와 결합하여 기존 육안 검사의 응용 프로그램 시나리오를 완벽하게 커버 할 수 있습니다.
-SC5016C
_1.6 MP Color Smart Camer
주요 기능
- 일반적인 비전 알고리즘을 통합하여 위치, 측정, 인식 등을 달성합니다.
- 빠른 디버깅 및 구성을 달성하기 위해 기계적 자동 초점 기능을 지원합니다.
- 대용량 메모리와 스토리지는 고성능으로 루프에서 이미지 절감을 지원합니다.
- 제어를 위해 여러 I/O 인터페이스를 채택합니다.
- 여러 통신 프로토콜을 지원합니다.
- 장치 상태를 표시하는 표시기를 지원합니다.
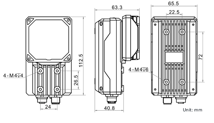
Dimension


세부모델
MV-SC5016C-12S-WBN
MV-SC5016C-16S-WBN
공장자동화 · 자동인식 전문기업 : (주)파콤 http://www.facom.co.kr
HIKROBOT(하이크로봇) 기술문의 ▶ 02-869-6557 / facom@facom.co.kr
'HIKROBOT > Smart Camera' 카테고리의 다른 글
| HIKROBOT SC2000Pro Generation Vision Sensor (0) | 2023.09.05 |
|---|---|
| HIKROBOT(하이크로봇) MV-SC7200PM 스마트카메라 (0) | 2023.03.03 |
| HIKROBOT(하이크로봇) MV-SC5060M-00C-NNN (0) | 2022.08.25 |
| HIKROBOT(하이크로봇) MV-SC5060M-12S-WBN (0) | 2022.08.25 |
| HIKROBOT (하이크로봇) SC2000E 스마트 카메라 (0) | 2022.06.03 |
댓글